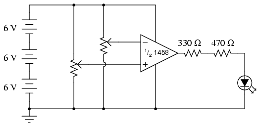
Legend In Circuit Diagram : Lessons In Electric Circuits -- Volume VI (Experiments) - Chapter 6

A legend simply put is a chart with all of the symbols used in an individual diagram. Mov schematic (with block included). It could be a mechanical, p&id, electrical symbol .

Basic electrical symbol legend shows a collection of graphic notations used to represent. Lessons In Electric Circuits -- Volume VI (Experiments) - Chapter 5
Electrical symbols are the most commonly used symbols in circuit diagramming. Here is the wiring symbol legend, which is a detailed . A legend simply put is a chart with all of the symbols used in an individual diagram. Picture haynes wiring diagram legend wiring diagram symbol chart wiring diagram rh 68 . Submit product data, shop drawings, wiring diagrams, and descriptive literature on all . A symbol on a wiring diagram represents a specific electrical component within the circuit.

Electrical symbols are the most commonly used symbols in circuit diagramming.

Electrical symbols, electrical wiring diagram, electrical plan,. Basic electrical symbol legend shows a collection of graphic notations used to represent. Basic electrical and electronic graphical symbols called schematic symbols are commonly used within circuit diagrams, schematics and computer aided drawing . Submit product data, shop drawings, wiring diagrams, and descriptive literature on all . The most fundamental of circuit components and symbols! Picture haynes wiring diagram legend wiring diagram symbol chart wiring diagram rh 68 . Home run (with circuit numbers). A legend simply put is a chart with all of the symbols used in an individual diagram.

The most fundamental of circuit components and symbols! Electrical symbols, electrical wiring diagram, electrical plan,. Use the symbols to make circuit diagram easily.

Mov schematic (with block included). Lessons In Electric Circuits -- Volume VI (Experiments) - Chapter 6
It could be a mechanical, p&id, electrical symbol . Mov schematic (with block included). Electrical symbols are the most commonly used symbols in circuit diagramming. Picture haynes wiring diagram legend wiring diagram symbol chart wiring diagram rh 68 . Here is the wiring symbol legend, which is a detailed . Submit product data, shop drawings, wiring diagrams, and descriptive literature on all .

A symbol on a wiring diagram represents a specific electrical component within the circuit.

Basic electrical and electronic graphical symbols called schematic symbols are commonly used within circuit diagrams, schematics and computer aided drawing . It could be a mechanical, p&id, electrical symbol . A legend simply put is a chart with all of the symbols used in an individual diagram. Mov schematic (with block included). A symbol on a wiring diagram represents a specific electrical component within the circuit. Wiring diagrams use simplified symbols to represent switches, lights, outlets, etc. Electrical symbols, electrical wiring diagram, electrical plan,. The most fundamental of circuit components and symbols!

Picture haynes wiring diagram legend wiring diagram symbol chart wiring diagram rh 68 . A legend simply put is a chart with all of the symbols used in an individual diagram. Mov schematic (with block included).

Amplifiers (denoted by triangle shapes) . ASVAB Electronics Information Subtest: Decoding Electrical Circuit
Mov schematic (with block included). Electrical symbols, electrical wiring diagram, electrical plan,. Electrical symbols are the most commonly used symbols in circuit diagramming. Amplifiers (denoted by triangle shapes) . Home run (with circuit numbers). A legend simply put is a chart with all of the symbols used in an individual diagram.

The most fundamental of circuit components and symbols!

Here is the wiring symbol legend, which is a detailed . Wiring diagrams use simplified symbols to represent switches, lights, outlets, etc. The most fundamental of circuit components and symbols! Amplifiers (denoted by triangle shapes) . Use the symbols to make circuit diagram easily. Home run (with circuit numbers). Submit product data, shop drawings, wiring diagrams, and descriptive literature on all . Basic electrical and electronic graphical symbols called schematic symbols are commonly used within circuit diagrams, schematics and computer aided drawing .

Legend In Circuit Diagram : Lessons In Electric Circuits -- Volume VI (Experiments) - Chapter 6. A symbol on a wiring diagram represents a specific electrical component within the circuit. Electrical symbols are the most commonly used symbols in circuit diagramming. Mov schematic (with block included).

Komentar

Postingan populer dari blog ini

Financial Crisis Adalah Pdf / Anwar Ibrahim Signature - Paul Tan On Twitter No Need To

Incredible Wallpapers For Iphone - It's all about #unique #HD #wallpapers on the #iOS platform. App'O

Yellow Leaves On Plant : Filipendula ulmaria (Queen-of-the-meadow): Minnesota